Основные составляющие стиральной машины
Схематично устройство стиральной машины Самсунг можно представить следующим образом:
- Спереди: панель управления, пылесборник, сливной насос со шлангом, фильтр.
- Сторона крышки: впускной клапан, датчик уровня, пружины подвески бака, противовес.
- Сторона: бак, амортизатор
- Сзади: приводной ремень, электродвигатель, шкив, силовой кабель, выхлопная труба.
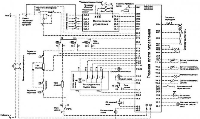
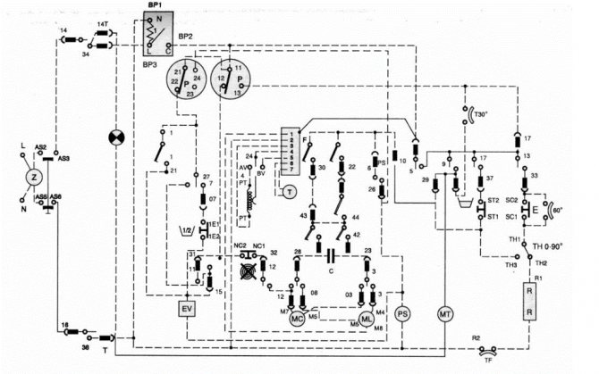
Местоположение основных компонентов должно быть известно, чтобы в случае отказа как можно быстрее добраться до нужного устройства. Электрическая схема стиральной машины тоже может понадобиться для решения проблемы.






Поломки
Может выйти из строя стиральная машина-автомат любого производителя, и Samsung не исключение. Некоторые части по разным причинам со временем выходят из строя. Вот типичные:
Читайте также: Стиральная машина electrolux с верхней загрузкой не стирает
- электрический нагреватель;
- сливной насос;
- мотор;
- модуль контроля;
- дверная ручка;
- ремень безопасности;
- впускной клапан воды;
- подшипники;
- амортизаторы;
- УБЛ.

Реле давления
Обратите внимание, что реле давления является надежной деталью и редко выходит из строя. Все вышеперечисленные компоненты выходят из строя только после некоторого истощения, обычно после 10 лет эксплуатации. Или с нарушением использования машины.
Это не означает, что у этого AGR есть слабые места. Исключая только электропроводку. Длина проводов была точно рассчитана, и их проложили без оговорок. Все очень плотно завязано в жгуты. Иногда это приводит к обрыву нити при изгибе. Поэтому в случае неисправности вызываем все шлейфы.
Мы очень старались для вас
Будем признательны, если вы оцените нашу работу.
Да уж точно не сейчас
Как снять лицевую панель стиральной машины
Ремонт шайб Samsung часто начинается с разборки лицевой панели. Его снимают для замены ТЭНа или сливного насоса. Делают они это так:
- вынуть пылеуловитель, открутить спрятанные за ним болты;
- переместите панель управления вбок;
- сложите манжету в люк;
- снимаем нижнюю панель, за которой спрятан фильтр;
- откручиваем спрятанные за ней болты и снимаем переднюю панель машины.



Самостоятельный ремонт АСМ Samsung
Большинство южнокорейских стиральных машин выходят из строя только через 8-10 лет эксплуатации. Чтобы не тратить деньги из семейного бюджета на услуги мастера, вы можете самостоятельно отремонтировать стиральную машину Самсунг в домашних условиях. Для этого достаточно иметь базовые знания в области электротехники, машиностроения, а также уметь пользоваться слесарным и электроинструментом. Неисправность можно определить по коду ошибки, который отображается на дисплее панели управления.
Требуемый набор инструментов и материалов
Перед началом работы нужно убедиться в наличии всего инструмента. Под рукой обязательно должны быть:
- набор плоских отверток и отверток Phillips;
- набор головок и ключей;
- захват с регулируемой шириной захвата;
- плоскогубцы и кусачки;
- пинцет — изогнутый и прямой;
- переносная лампа или мощный фонарик;
- нож и мультиметр.

С помощью мультиметра можно проверить работоспособность многих деталей стиральной машины
В некоторых случаях вам может понадобиться ручное зеркало с длинной ручкой, молоток среднего размера, паяльник на 40 Вт и газовый фонарик малой мощности. Имеет смысл приготовить:
- герметик на силиконовой основе, герметизирующий и изоляционный состав;
- припой и канифоль для паяльника;
- термоусадочные трубки разного диаметра;
- изолента и зажимы;
- медный плетеный провод и кабельные наконечники для него.
Набор впечатляющий, но с его помощью можно быстро и качественно разобрать АСМ и произвести любой ремонт.
Последовательность разборки
Чтобы выяснить причины неисправности и заменить детали, корпус агрегата придется разобрать. Сначала сливается вся вода из агрегата, вынимается шнур питания из розетки. Последовательность действий следующая:
- Чтобы снять верхнюю крышку, вам нужно открутить два винта на задней стороне AFM. После этого крышка откидывается и снимается. Это откроет доступ к сетевому фильтру, трансформатору и реле уровня воды.
- Бункер для моющего средства снят, из бункера выходят три шланга. В некоторых моделях необходимо вдавить защелку внутри лотка, а если ее нет, просто приложить силу. Чтобы отсоединить шланги, необходимо разблокировать хомуты плоскогубцами.
- Противовес, расположенный под верхней крышкой, также можно снять после ослабления двух болтов.
- Отвинчиваются крепления панели управления, после чего она откручивается отверткой. Если модуль управления находится на задней стороне панели, вам нужно будет снять с него все разъемы.
- Дверь открывается, обнаруживается и снимается фиксатор, удерживающий уплотнитель двери. Затем пломба удаляется.
- Передняя и задняя панели разбираются, при этом откручиваются все крепежи, удерживающие их. Доступ к нагревательному элементу, приводному ремню, сливному насосу, впускному клапану и замку люка.
Таким образом вы сможете добраться до неисправных деталей в большинстве моделей Samsung AFM. Так что вы можете сделать это самостоятельно, отремонтировав стиральную машину Samsung S821, а также другие распространенные модели — F1015J и WF.
Диагностика и замена ТЭНа
Для проверки используется мультиметр. Отсоединяются провода от контактов, сопротивление ТЭНа проверяется тестером; оно должно быть в пределах 50-70 Ом. Если оно равно бесконечности, нагреватель перегорел и требует замены.
Также проверяется ток утечки в корпус. Один из щупов подключен к корпусу, другой — последовательно к каждому из двух контактов. Если появляется сопротивление на максимальном пределе (40 мОм и более), необходимо также заменить нагревательный элемент.

Отказ нагревательного элемента — распространенная неисправность в АСМ Samsung
Замена приводного ремня
Чтобы снять ремень, вы должны приподнять его и потянуть на себя, вращая шкив барабана. Чтобы установить новый, необходимо сначала надеть его на вал электродвигателя и удерживать там. Другой конец ремня необходимо надеть на шкив и повернуть так, чтобы он вошел в канавку. Лучше всего это делать с помощником. Помните: заменить поврежденную деталь можно только ремнем, предназначенным для конкретной модели оборудования.

Заменить приводной ремень в домашних условиях несложно
Чистка и замена сливного насоса, фильтра и шланга
Если вода из AFM не стекает после мытья, очистите фильтр и сливной шланг от мусора, а затем тщательно промойте их. Если это не поможет, вам нужно снять насос и проверить его на наличие засоров. Мусор может скапливаться в области улитки, к которой прикреплен шланг, а также на крыльчатке, установленной на валу электродвигателя насоса.
Если после чистки помпа не работает, но есть напряжение на контактах, остается только заменить ее на новую.

Если возникли проблемы со сливом воды, проверьте сливной насос (помпу)
Ликвидация утечки воды
В этом случае ремонт стиральной машины Самсунг заключается в обнаружении и устранении утечки. Чаще всего течь происходит на стыках труб с патрубками. Также может быть нарушена целостность резиновых манжет и уплотнений. Если трубка или манжета повреждены, их необходимо заменить.
Бункер для порошка также может вызвать утечку воды, если он забит остатками старого порошка. Его следует тщательно очистить и ополоснуть; после чего вода не потечет.
В статье приведены лишь несколько примеров того, как избавиться от типичных поломок стиральных машин Samsung. На самом деле причин неисправности гораздо больше. И если вы понимаете, что самостоятельно отремонтировать АКМ у вас не получится, лучше всего вызвать квалифицированного специалиста из сервиса.
Блок управления
Типичные признаки неисправности:
- все кнопки включены;
- ничего не загорается;
- отображается код ошибки карты;
- на один из элементов не поступает 220 вольт.

Электронный блок управления
Отметим, что модуль является надежной частью стиральной машины-автомат Самсунг. Неисправность возникает при повышенном напряжении как в помещении, так и на улице. К этому же приводит и неправильное подключение.
Вы можете частично обезопасить себя от внешних падений: в режиме ожидания выньте вилку из розетки!
Внутренний скачок происходит из-за повреждения периферийного устройства, как правило: УБЛ, ТЭНа или мотора. В этом случае мы все проверяем. Самостоятельный ремонт платы управления не рекомендуется. По западным меркам модуль не ремонтируют, а модифицируют. В российских реалиях есть специалисты, которые их восстанавливают.
Последовательность разборки прибора
Если вы новичок, можете порекомендовать использовать камеру для видеосъемки или сфотографировать рабочий процесс, чтобы не путать последовательность действий и при этом правильно собрать машину.
Следует помнить несколько важных правил, которые необходимо соблюдать перед началом ремонтных работ:
- необходимо слить из машины всю воду;
- перед разборкой стиральной машины обязательно (!) отключите прибор от электросети;
- выбирайте место, достаточно светлое и просторное для ремонта.
Если агрегат нельзя переместить в удобное место, обеспечьте максимальное освещение рабочего места.
Первым делом снимаем верхнюю панель стиральной машины.

Снять верхнюю панель несложно — достаточно открутить два самореза на задней части корпуса, немного сдвинуть крышку назад, затем приподнять и снять
Второй шаг — вынуть пылесборник, сделать это несложно. Далее нужно снять манжету с люка. Здесь нужна осторожность. С помощью отвертки подденьте удерживающий зажим, снимите его, а затем снимите уплотнительное кольцо. Делать это нужно осторожно, стараясь не порвать мягкую резину.

Осторожно снимите уплотнительное кольцо: главное не повредить его случайно. Можете запихнуть манжету внутрь барабана — там будет безопасно
настала очередь пульта управления. Чтобы его снять, нужно открутить два винта на передней части панели и один справа.

Затем следует аккуратно отделить блок управления от корпуса и убрать его. Панель управления также можно снять после снятия манжеты с загрузочной дверцы
После этого можно приступать к разборке нижней передней панели. Потянув за рычаг защелки, отделяем подвальную часть фасада: открыт доступ к сливному фильтру и шлангу аварийного фильтра. Теперь переднюю панель можно снять, открутив восемь крепежных винтов. Сопротивление и сливной насос открываются.
Если вам нужно снять бак и бочонок в процессе ремонта, рекомендуем не делать этого самостоятельно. Обязательно привлеките к этому помощника. Перед снятием бачка необходимо обесточить ТЭН, отсоединить от двигателя все патрубки и электропроводку.
Для этого положите машину на бок, затем открутите 4 винта на нижней крышке. Двигатель открывается противовесом, закрепленным на амортизаторах.
Отсоедините жгут от разъемов. Важно помнить, что к чему крепится, поэтому перед разборкой желательно все сфотографировать, чтобы все повторилось именно так, как на фото.

Приступим к разборке бака. Сначала нужно снять прикрученные противовесы, затем пружины, отсоединить амортизаторы. Только после этого вместе с помощником можно снимать бак с корпуса машины
Но осталось отсоединить приводной ремень от двигателя. Для этого просто снимите ремень со шкива. Не забудьте сначала надеть приводной ремень на малый приводной шкив, затем надеть его на большой ведомый шкив и совместить его с центром шкива при ношении ремня.
Прочие проблемы и их устранение
Бывают и такие проблемы:
- Краска на теле потускнела, обесцветилась или отслоилась. На металлических деталях образовалась ржавчина: аналогичные явления возникают, если станок установлен в помещении с повышенной влажностью. Переместите его в другое место или установите в комнате осушитель.
- Дисплей не загорается или вообще не работает, либо изображение на нем перестало меняться.
Причиной последнего явления может быть повышенная влажность или попадание воды внутрь. Высушите переднюю панель и оставьте машину на ночь в сухом месте. Если сушка не поможет, придется вызвать мастера.

Типы поломок у всех стиральных машин похожи. В следующей статье мы поговорим об устройствах под брендом Kandy. Стиральная машина Канди — ремонт основных поломок своими руками.
Частые поломки стиральных машин Indesit и способы их устранения смотрите по этой ссылке.
Причины неисправностей и методы их устранения
Основную часть неисправностей можно разделить на группы по причинам неисправностей и способам их устранения.
Стиральная машина не включается
Причины, по которым устройство не запускается, могут быть следующие:
Читайте также: Индезит не отводит воду, причины и способы устранения
- Люк не закрывается.
- Шнур питания оборван.
- Вышел из строя блок управления.
- Неисправная розетка.
- Двигатель вышел из строя.
- Кнопка включения не работает.
- Электричества нет.
Если машина никак не реагирует при включении, необходимо сначала проверить наличие электричества, вилки и кабеля. Шнур питания следует проверить мультиметром на предмет механических повреждений, нарушения изоляции, окисления контактов и звона. При обнаружении неисправности кабель заменяется на аналогичный. Самый простой способ проверить розетку — подключить другое заведомо исправное устройство.
Если дверца стиральной машины не закрыта, индикаторы на панели управления горят, а в моделях с дисплеем на экране виден код ошибки: для решения проблемы просто откройте дверцу и снова сильно хлопните ее, пока она не появится щелчки.
Если есть питание, но при нажатии на кнопку программа не запускается, возможно, проблема кроется в самой кнопке. Необходимо, чтобы его контакты во включенном состоянии звонили. Если сопротивление не появляется, кнопку необходимо заменить.
Блок управления (плата) и мотор не подлежат ремонту в домашних условиях, необходимо будет обратиться в сервисный центр. Кроме того, эти детали довольно дороги.
Вода не заливается
Может быть несколько причин, по которым вода не собирается или поступает слишком медленно:
- Давление в сети ниже минимального.
- Забит впускной фильтр.
- Впускной клапан или модуль управления вышли из строя.
Если давление слишком низкое (это происходит в частных домах или высотных зданиях на верхних этажах), машина будет набирать воду медленно или с перерывами. В этом случае стоит позаботиться об установке оборудования, способного поддерживать необходимое давление или мытье в ночное время, когда оно наиболее высокое в сети.
Другая вероятная причина нехватки воды заключается в том, что на трубе есть запорный клапан, который полностью или частично закрывает ее.
Для очистки входного фильтра нужно открутить наливной шланг, снять сетку, пройтись по нему несколько раз щеткой, промыть чистой водой и поставить на место.
Разрыв впускного клапана — серьезная неисправность, требующая квалифицированного ремонта. Вы можете заменить его следующим образом:
- отключите стиральную машину от сети и снимите заднюю крышку;
- отсоединить провода, ведущие к вентилю, извлечь патрубки, закрепленные хомутами, открутить подающий патрубок;
- извлеките неисправную деталь и замените на аналогичную;
- подключать провода и трубы в обратном порядке;
- проверьте работоспособность системы.
Выход из строя модуля управления в этом случае также требует вмешательства квалифицированного специалиста.
Не сливает воду
Есть две основные причины, по которым стиральная машина не сливает воду по окончании стирки:
- Забита сливная система.
- Насос вышел из строя.
Перед тем как приступить к ремонту сливного насоса, сливную систему необходимо очистить. Для этого нужно открыть панель внизу фасада. Если мойка оборудована шлангом аварийного слива, вытащите его, откройте и слейте грязную воду. Если нет, поместите под фильтр плоский контейнер и осторожно открутите крышку. Из открытого ствола необходимо удалить весь мусор и вращать крыльчатку насоса — она должна вращаться свободно.
В случае сильной засорения, помимо насоса, может засориться сливной шланг и шланг. Перечисленные детали можно почистить своими руками по следующей схеме:
Читайте также: Стиральная машина Hotpoint-Ariston не отжимает белье — решение проблемы
- положите машину горизонтально и снимите защиту внизу;
- открутить хомут, удерживающий патрубок, отсоединить штекер от датчика помпы, отсоединить крепеж;
- извлеките насос, открутите сливной шланг и промойте их горячей водой под давлением.
Если проблема не в засоре, требуется диагностика сливного насоса. Насос проверяется на наличие внешних повреждений. Возможные причины неисправности:
- крыльчатка слетела с оси или сломалась;
- кожух деформируется горячей водой;
- нарушена целостность обмоток двигателя (контакты звонят мультиметром);
- порваны резиновые прокладки.
Резиновые манжеты и крыльчатка заменены на новые. Если из-за потери геометрии кожуха лезвия начинают касаться его поверхности, можно их немного порезать (буквально на 1 мм). Чтобы аккуратно собрать схему помпы в обратном порядке, стоит сфотографировать сборку.
Течёт вода
Если в стиральной машине течет вода, необходимо определить источник утечки.
- Под днищем скапливается влага: трубы (слив и заливка), сливной патрубок, бак может лопнуть.
- Под люком появились протечки — браслет может быть поврежден.
Причина потери выясняется последовательно, проверяя каждый узел. При обнаружении места разгерметизации неисправную деталь меняют.
Не вращается барабан
Причин, по которым стиральная машина не работает и не вращает барабан, может быть несколько:
- Ремень привода оторвался.
- Подшипник вышел из строя.
- В бак застрял посторонний предмет, который мешает движению барабана.
Проверить целостность ремня можно, перевернув машину и сняв защиту снизу. Выходу подшипников из строя предшествуют сильные удары и шлифование, которые длительное время сопровождают работу агрегата.
Машина не греет воду
В случае неисправности машина продолжает работать, но все белье стирается в холодной воде.
Есть три основных причины неисправности:
- Нагревательный элемент вышел из строя.
- Термостат неисправен.
- Проблемы с модулем управления.
Нагревательный элемент может быть поврежден из-за толстого слоя известняка, образовавшегося с годами. Меняйте нагревательный элемент в следующей последовательности:
- снимаем переднюю панель устройства;
- отсоединить провода, ведущие к сопротивлению, расположенному на дне бака;
- разобрать ТЭН, открутив крепления, которые его держат, выключить датчик температуры;
- аккуратно постукивая, вытащить заблокированный ТЭН;
- обзвоните деталь мультиметром, если сопротивление предельно мало, поменяйте на новую.
- после очистки места установки установите новый нагревательный элемент.
Может сломаться не только ТЭН, но и термостат. В этом случае машина может не нагревать воду или наоборот стирать белье в горячей воде независимо от выбранного режима.
Шум при работе стиралки
Громкое гудение, стуки, слышимые во время работы агрегата, могут указывать на неисправность подшипника. Самая частая причина неисправности — износ уплотнительных колец.
Отредактируйте их в следующей последовательности:
- отключите машину от электросети и водопровода, снимите верхнюю крышку;
- отсоединить трубы, снять поддон, открутить противовес;
- снимаем резинку люка, предварительно отсоединив стопор;
- откручиваем нижнюю крышку;
- снимаем двигатель и сливной насос;
- откручиваем заправочный кран, снимаем пружины, удерживающие бачок;
- снимаем бачок и, сняв кронштейны и хомуты, снимаем верхнюю часть, открывая доступ к подшипникам;
- тщательно отбейте подшипники, замените сальники на новые, предварительно смазанные маслом;
- вставьте подшипники и соберите машину в обратном порядке.
Заменить подшипники в домашних условиях можно только разборным баком. Если он не складывается, вам нужно будет отправить техника в сервисный центр.




ТЭН
Жесткая вода приводит к выходу из строя ТЭНа, в результате чего образуется накипь. На нагревательном элементе из-за постоянного нагрева он превращается в камень и повреждает поверхность. Отметим, что в регионах, где вода мягкая, например, в Санкт-Петербурге и окрестностях, обогреватели практически не выходят из строя. В Москве жесткая вода, и такая поломка актуальна.

Удаление нагревательного элемента
Чтобы продлить срок эксплуатации, используйте средства защиты от обрастания: «Калгон», профессиональные или народные преобразователи — в виде лимонной кислоты.
Неисправность проявляется двояко:
- Перегорает нагревательный элемент;
- потери на волю случая.
В обоих случаях диагностика проводится мультиметром. Для доступа к контактам необходимо снять переднюю панель. Смотрите последовательность разборки здесь. Отрываем нити. Ставим тестер для проверки сопротивления.
Для начала посмотрим на контакты, на которые поступает напряжение. Если между ними бесконечность, требуется замена. Затем мы устанавливаем максимальный лимит.
Мнение эксперта
Занимаюсь ремонтом бытовой техники. Многолетний опыт ремонта стиральных и посудомоечных машин.
Читайте также: Стиральная машина не закрывает и не блокирует дверцу
Задайте вопрос
Важно! Достоверные результаты можно получить, если мультиметр измеряет до 40 МОм.
Наблюдаем сопротивление между землей и каждым контактом. Если значение отличное от нуля, нагреватель необходимо заменить. Работа с током утечки вызовет неисправность и повреждение модуля управления.
Коды ошибок стиральных машин Самсунг
Определить повреждение намного проще, если дисплей расположен на панели управления. В случае неисправности на нем отображаются символы, каждый из которых соответствует определенной неисправности.
|
Коды основных ошибок |
Соответствующая неисправность |
| 4C | Вода не наливается или наливается слишком медленно (процесс наполнения занимает более 20 минут) |
| 4C2 | Убедитесь, что наливной шланг подсоединен к шлангу холодной воды |
| A0, B0, C0, D0, E0 | Включена диагностика стиральной машины (на заводе используется тестовый режим) |
| 5C, 5E, E2 | Вода не сливается |
| оБЪЯВЛЕНИЕ | Дверь открыта |
| OC | Избыточная вода, включите машину отжима и перезапустите ее |
| LC, LC1 | Проблемы с впускной трубкой |
| Уб | Вращение не работает |
| UC | Нет питания в сети, низкое напряжение, проверьте подключение |
| 3C | Двигатель не запускается |
| NS | Превышена температура нагрева, возможно, неисправен термостат |
| 1С | Датчик уровня воды не работает должным образом |
| DDC, ddC | Появляется, если дверца добавления (для загрузки забытого белья) открывается без нажатия кнопки «Старт» или «Пауза» |
| DC3 | Замок Add Door не работает должным образом |
| Sd | Слишком много пены |
| DC1 | Замок на главной двери не работал должным образом |
| Солнце | Агрегат не может запустить двигатель |
| PoF | Во время стирки произошел сбой в электроснабжении |
| Пряный | В процессе сушки температура внутри барабана превышала 70 ° C |
| LE, LC, MI9 | Самопроизвольный сброс воды из-за низкого трубопровода или утечки |
Следует отметить, что перечисленные коды ошибок периодически меняются и пополняются новыми. Поэтому перед началом ремонтных работ необходимо свериться со списком ошибок, указанным в инструкции.
Мотор
Достаточно надежная статья. Для него характерны следующие неисправности:
- поворотное закрытие;
- износ щеток.
Первая проблема вызвана неправильным использованием, то есть постоянной перегрузкой белья. Еще одна причина мероприятия — частое использование в течение дня. Вы должны понимать, что купили дом, а не промышленную машину. И рассчитан на 2-3 стирки в неделю. Ремонт этой неисправности маловероятен. Поменяем двигатель.

Мотор стиральной машины
Во втором случае это просто смена расходников. Эта проблема присуща только коллекторным двигателям. Но в стиральных машинах они используются в 80% случаев. Процедура требует определенных навыков, но сделать это вполне возможно самостоятельно. Подробнее — о замене щеток электродвигателя.
Мнение эксперта
Занимаюсь ремонтом бытовой техники. Многолетний опыт ремонта стиральных и посудомоечных машин.
Задайте вопрос
Продолжительность операции зависит от интенсивности операции и может быть оценена как последующий период — 8-12 лет.
УБЛ
Заменить замок довольно просто. Рассмотрим подробнее:
- Открываем люк и вытаскиваем металлический фиксатор с пружиной, фиксирующий браслет к корпусу.
- Подтягиваем резинку обратно в положение УБЛ и держим рукой изнутри.
- Откручиваем винты крепления замка и вытаскиваем.
- Вытаскиваем фишку с проводами.
- Ставим новую.
- Закручиваем браслет и фиксатор. Мы смотрим на это.

Сгоревший УБЛ
Проверим работу АГР.
Мы описали типичные неисправности, которые могут возникнуть в стиральных машинах. Большинство из них можно исправить вручную, не вызывая мастера. Это не всегда так просто. А если не справитесь или поломка непонятная, то обратитесь к специалистам.
Таблица подбора запчастей для некоторых моделей.
Видео
Что выбрать: чинить своими руками или вызвать мастера на дом?
В случае поломки перед владельцем стиральной машины Самсунг встает вопрос: отремонтировать ее самостоятельно или вызвать мастера. Чтобы принять правильное решение, нужно внимательно проанализировать ситуацию.
Если прибор на гарантии

Если ваше устройство находится на гарантии, вам не следует пытаться отремонтировать его самостоятельно. К тому же нет необходимости оплачивать услуги частных мастеров.
Ущерб, причиненный не по вине покупателя, подлежит гарантийному обслуживанию. Это бесплатно за счет производителя.
При условии, что устройство вышло из строя из-за внешних факторов, например, его уронили или неправильно подключили, вам придется оплатить ремонт самостоятельно.
Отремонтировать самому
Самостоятельно можно справиться с небольшими поломками, например:
- Замена реле давления.
- Устранение блока.
- Перезапустите машину из-за неисправности контроллера.
- Замена помпы, дверной петли или люка и т.д.
Если у вас есть опыт и навыки, вы можете попробовать провести более сложные ремонтные работы, в том числе:
- замена нагревательных элементов,
- дверные манжеты,
- двигатель,
- амортизаторы.
На стоимость одного ремонта влияет только цена детали и составляет 2-3 тысячи рублей.
Если в процессе ремонта выясняется, что что-то не планируется, лучше всего вызвать специалиста.
Поломка заливного клапана
Заливной клапан состоит из корпуса, магнитной катушки и мембраны (которая открывается при подаче напряжения). Чаще всего выходит из строя змеевик, поэтому вода не попадает в стиральную машину.
|
Знаки |
Как исправить | Стоимость * (только работа) |
| Стиральная машина не вакуумирует совсем (модели с неразъемным водяным клапаном) или только полоскание (модели с двухкомпонентным клапаном). Неисправность, очень часто, сопровождается ошибкой 4E (EC), E1 и 4C. | Неисправный клапан необходимо заменить. | от 1800 руб. |
* Цена указана только за работу мастера, запчасти оплачиваются дополнительно.


Диагностика
Благодаря инновационным технологиям производства стиральных машин Samsung пользователь может выяснить свои мелкие проблемы и решить их своими руками. Каждая модель агрегата имеет электронный дисплей, на котором отображается информация о характеристиках в случае неисправности. В случае неисправности на дисплее отображается определенный код и отображается сигнал. Если вы знаете основные коды ошибок, процедура ремонта стиральной машины не создаст никаких трудностей. После включения нужно обратить внимание на звук, после чего на экране должны появиться какие-то символы.
Расшифровав обозначения, можно узнать причину возможной неисправности. В случае выхода из строя микросхемы блок может подать ложный сигнал. Если на дисплее появляются другие признаки, диагностику необходимо проводить с особой осторожностью. В этом случае пользователь должен нажать и удерживать кнопку включения, ополаскивания и датчика температуры.
Когда все индикаторы на устройстве загорятся, стоит выполнить команды, которые отображаются на ЖК-дисплее. Если на стиральной машине Самсунг нет экрана, неисправность определяется по характерным сигналам и по миганию лампочек.


Протекает сливной патрубок
Патрубок засыхает, повреждается острой одеждой, соскользнувшей с барабана в резервуар, или зажимы, которыми патрубок крепится к резервуару с одной стороны и сливной насос с другой, ослабляются из-за вибрации. В результате автомобиль Самсунг начинает протекать.
|
Знаки |
Как исправить | Стоимость * (только работа) |
| Машина протекает в начале стирки. В моделях с дисплеем на экране могут отображаться коды LE, LE1, E9, LC, LC1. | необходимо подтянуть хомуты для шлангов. Если патрубок сломан или поврежден, его полностью меняют. | от 1800 руб. |
* Цена указана только за работу мастера, запчасти оплачиваются дополнительно.




Амортизаторы
Этот предмет является расходным материалом, который со временем развивается. Продолжительность использования зависит от интенсивности использования. Его можно оценить на период от 5 до 10 лет. Одна из особенностей заключается в том, что во время цикла отжиманий машина прыгает, а также перемещается по комнате. Покупка наполнителей для подушек не решает проблемы.
Производитель предусмотрел правильную работу без них. В этом случае необходимо заменить амортизаторы. В стиральной машине Самсунг их два. Удобно проводить ремонт. Они крепятся съемными штифтами к корпусу и бачку.
Доступ можно получить двумя способами:
- снимаем переднюю панель;
- перевернуть машину на бок.

Амортизаторы для стиральных машин
Устранение повреждений автомата Самсунг
Представляем вам схему устройства, которая вам очень пригодится при ремонте. Техническое наполнение машин разных марок примерно одинаково. Если вы уже сталкивались с заменой запчастей на стиральную машину, вам будет легче справиться с очередным ремонтом.
Теперь вы можете начать рассказ о некоторых типах неисправностей и способах их устранения.
№1: непредвиденная остановка во время стирки
Самая частая причина — недостаточный напор воды. Затем машина останавливается, и для перезапуска ее необходимо выключить, а затем снова включить. Если загружено много белья, чтобы запустить машину, просто выключите ее и удалите излишки.
При обрыве шнура питания или изначально плохом контакте в кнопке питания устройство будет периодически отключаться само. Машина также может остановиться, если она стоит неровно и немного наклонена.
№2: затруднения с набором воды
Чтобы решить эту проблему, сначала проверьте давление воды в водопроводной системе, а также убедитесь, что кран, подающий воду в машину, хорошо открыт.
необходимо учитывать, что свободный конец сливного шланга, подсоединяемый снизу, должен находиться на высоте более 2/3 высоты устройства, иначе вода сразу вытечет из машины.
№3: появление течи из агрегата
У этой проблемы много причин. Иногда достаточно хорошо почистить пылесборник — из-за его засорения из него просто может вытекать вода.
EB, BC2, bE3, bE2, bE1 и bE – ошибки включения и управления
Расшифровка таких кодов ошибок на дисплее стиральной машины Самсунг может быть разной.

Если вы разберетесь в инструкции к стиральной машине, вы сэкономите много времени и денег.
Среди причин их появления следует отметить следующие:
- Неисправность симистора. Очень важна ее устойчивость, так как эта запчасть включает и выключает двигатель автомобиля, а также контролирует его скорость.
- Проблемы с кнопками агрегата, в том числе с кнопкой запуска».
- Единовременный выход из строя блока управления.

Позаботьтесь о своей стиральной машине, чтобы продлить срок ее службы.
В случае неисправности симистора, к сожалению, самостоятельно решить проблему не удастся. Он может выйти из строя по многим причинам, включая падение напряжения, плохую розетку, короткое замыкание и другие. Мастер определит, что именно повлияло на возникновение проблемы, и расскажет, как защитить оборудование от сбоев в будущем.

Хороший техник быстро исправит ошибку стиральной машины.
Если повод для демонстрации значений кодов был заблокирован или не было контакта с одной из кнопок, то для решения проблем можно нажать на нее несколько раз, удерживая в разных положениях. Если это не поможет, кнопку нужно будет заменить на новую.
Самостоятельное устранение неполадки
Неисправности, связанные с нарушением процесса нагрева, по большей части требуют серьезного ремонта. Для этого требуется наличие инструмента (отвертки, гаечные ключи, мультиметр и т.д.), А в некоторых ситуациях дополнительно паяльника и навыков работы с ним.
Для начала нужно убедиться, что стиральная машина правильно подключена к электросети и нет скачков напряжения. Подключение желательно устраивать не через тройник или приставку, а напрямую.
проверить вероятность возникновения ситуации случайного сбоя очень просто: нужно отключить устройство от сети, подержать несколько минут и снова включить.
Затем вы можете запустить цикл горячей стирки. Если ошибка HE1 появится на дисплее снова, потребуется ремонт.
Как добраться до деталей?
Нагревательный элемент, датчик температуры и плата управления — это те блоки, которые напрямую связаны с процессом нагрева в стиральной машине. Добраться до них, не разобрав устройство, невозможно.










Различия в конструкции той или иной модели могут представлять отдельную трудность, поскольку у каждой могут быть свои нюансы.
В большинстве стиральных машин Samsung доступ к нагревательному элементу и датчику температуры осуществляется через переднюю панель. Лицевая сторона также обеспечивает доступ к электронике — модулю управления, выход из строя которого часто приводит к НЕ1.
Вы можете предоставить себе доступ к наполнению стиральной машины следующим образом:
- Если в стиральной машине есть вода, слейте ее.
- Если в барабане есть предметы, их нужно вынуть.
- Обесточьте устройство. Для этого его нужно не только выключить кнопкой, но и полностью отключить от сети.
- Вытяните отсек для заполнения пыли.
- Расположите устройство так, чтобы можно было получить доступ к его задней стенке.
- Вверху найдите винты, удерживающие верхнюю горизонтальную панель.
- Отвинтив винты, снимите крышку, потянув ее к задней стенке.
- Рядом с отверстием в пылесборнике, где находится контейнер с пылью, найдите винты, удерживающие верхнюю панель, на которой расположены кнопки, световые индикаторы и другие элементы регулировки и управления.
- Откройте люк.
- Резиновая втулка удерживается на месте проволокой с вставленной пружинной частью. Надо снять на себя.
- Резиновую втулку необходимо отделить по периметру и вдавить в барабан.
- Откручиваем винты, которыми крепится передок.
- Снимаем переднюю панель. Отсоедините соединение электронного замка.
- Нагревательный элемент и термостат на большинстве моделей расположены внизу.
Процесс замены
Если нагревательный элемент не работает, его необходимо заменить. Это можно определить с помощью мультиметра и установки щупов на контакты. Сопротивление должно быть стабильным, без пиков. Обычно это 25-35 Ом.
Термодатчик тоже проходит испытания. Он расположен у основания нагревательного элемента. Если причина неисправности определяется по «кольцевым» результатам, ТЭН со встроенным термостатом заменяется на новый.
Сам термодатчик не ремонтируется. Чаще всего, если он не интегрирован, его заменяют отдельно, если он интегрирован, его заменяют нагревательным элементом.
Это требует:
- отключите контакты ТЭНа, который находится в автомобиле;
- откручиваем винт, удерживающий ТЭН в розетке;
- слегка покачивая ТЭН от основания, потяните его на себя;
- проверьте состояние гнезда, если есть мусор, его следует удалить;
- установить в нужном месте новый ТЭН;
- закрепить ТЭН саморезом;
- подключить все контакты.
Модуль управления представляет собой электронную плату с направляющими и элементами. Полная диагностика и повторная сварка могут быть выполнены только специалистом, обладающим соответствующими навыками и подходящим для этого инструментом. Ремонт данного агрегата — дело кропотливое и довольно дорогое.
В некоторых случаях неисправность вызвана повреждением шлейфа. Мастер распускает старую петлю и устанавливает новую. Если ЭБУ менять полностью, то только оригинальный.
Это также требует перепрограммирования и настройки параметров. Сделать это самостоятельно без технических знаний проблематично. Лучшее решение — вызвать мастера.
Подшипники
На стиральных машинах Самсунг такой ремонт происходит после исчерпания ресурса, после 10-15 лет эксплуатации. Признаки износа:
- Грохот, лязг, особенно при отжиме белья.
- Если переместить барабан в разные стороны, можно увидеть отдачу.
Замена подшипников — сложная работа, требующая навыков и необходимых инструментов. Но можно сделать и самому. Мы рекомендуем инструкции по замене Samsung SMA».

Седло подшипника после сильного износа
[spoiler title=»Источники»]
- https://rt-simulators.ru/neispravnosti-i-polomki/shema-stiralnoj-mashiny-samsung.html
- https://www.samsung.com/ru/support/home-appliances/error-codes-of-samsung-washers/
- https://stirkaved.ru/remont-stiralnyh-mashin-samsung.html
- https://sovet-ingenera.com/tech/stiralki/remont-stiralnoj-mashiny-samsung-svoimi-rukami.html
- https://aquacomm.ru/cancliz/mnogokvartirnyie-doma/santehnika/stiralnye-mashiny/remont-stiralnoj-mashiny-samsung-svoimi-rukami.html
- https://yborka.online/tehnika/stiralnaya-mashinka/proizvoditeli/samsung/remont-s
- https://rembitteh.ru/hozyayke-na-zametku/neispravnosti-stiralnyh-mashin-samsung/
- https://stroy-podskazka.ru/stiralnye-mashiny/brendy/samsung/neispravnosti/
- https://NpfGeoProm.ru/septiki/prichiny-polomki-stiralnoj-mashiny-samsung.html
- https://my-pic.ru/tehnika/prichina-polomki-stiralnoj-mashiny-samsung.html
- https://severdv.ru/tehnika/vyyasnenie-oshibok-i-pochinka-stiralnoj-mashinki-samsung/
- https://kupisantehniky.ru/osibki-stiralnoj-masiny-samsung-i-sovety-po-remontu/
- https://IsoProfTeh.ru/uborka/kak-otremontirovat-stiralnuyu-mashinku-samsung.html
[/spoiler]



